17673172930NEWS
新闻中心
行业新闻近年来电子行业快速发展,电子产品种类、功能日益繁多,连带着医疗设备也越来越多样化。一套系统内可能包含了几种不同的驱动电压,加上总瓦数的需求也越来越大。早期这类的客户只能选用多台单组输出的医疗产品混搭使用,但现在客户可以有不同的选择,可以直接选择明纬NMP650/1K2医疗模块电源或选择符合医疗法规设计的UMP-400医疗模块电源做系统认证。
UMP-400是一款1U低高度可模块化的电源供应器,灵活弹性的模块概念是市面上极少有的电源类型,法规上采符合医疗法规设计与信息类产品安规认证。UMP-400不仅可当单组输出电源使用,也可选择搭配已上市的DC-DC转换器NID35/65/100系列模块小卡安装成多输出模块电源使用。UMP-400规划上标准品为单组输出,有24V/48V二种输出电压可选择,当需求多路输出电压时可洽询明纬,我们可立即提供客制化服务,最多可提供4路电压输出,可充分满足需求多组输出的各种机台设备应用。
NMP650/1K2是一款可弹性扩充输出功率、并具备多种智能控制模式以及小型化设计的医疗级电源供应器—NMP650/1K2系列。NMP输出模块彼此互相独立,且涵盖超宽电压调整范围,用户可以依照不同的负载需求,透过次级输出模块的串并联组合以及程序化控制输出电压与电流,自由调整设定系统所需的输出条件。此产品具备各种控制功能,如远程开关机、电压及电流控制,提供使用者远程控制的应用需求。转速自动控制的散热风扇设计,依照温度变化可自动调节风扇转速以提升效率及产品寿命。产品1U小型化设计,大幅提升功率密度,能够有效率的使用系统空间。认证方面,NMP通过医疗国际法规(60601-1)与资通讯法规(62368-1) 认证。多功能与高质量的绝佳性价比可满足各产业对高质量电源的要求,加上完善的质量验证及五年的产品保固,NMP家族为一款兼具高效能、高智能化以及高信赖的医疗级电源供应器。
医疗模块电源推荐选用明纬UMP-400与明纬NMP650/1K2,主要有以下原因 :
系统低漏电流的要求
客户若选用多台单组输出医疗电源供电,会导致设备不能满足安全法规规定的漏电流(500μA~750μA)要求,因为整个设备的漏电流是所有电源的总漏电流和。由于操作人员往往是没有专业电气知识的普通人,因此安全法规制定了严格的漏电流标准,以保障操作人员的安全。为了满足低漏电流的要求,单台多输出医疗电源被广泛使用,因为它仅由一个前端输入和多个输出模块组成,这些输出模块可灵活搭配,以满足电子设备外围组件不同的的电压和功率要求。

图1:120Vac输入时的漏电流138uA
230Vac输入时的漏电流234uA
图1显示了明纬单台模块电源产品 NMP1K2-HHEKC#-01的漏电流测试结果,该机型由24V,12V,48V和5V四个输出模块组成。

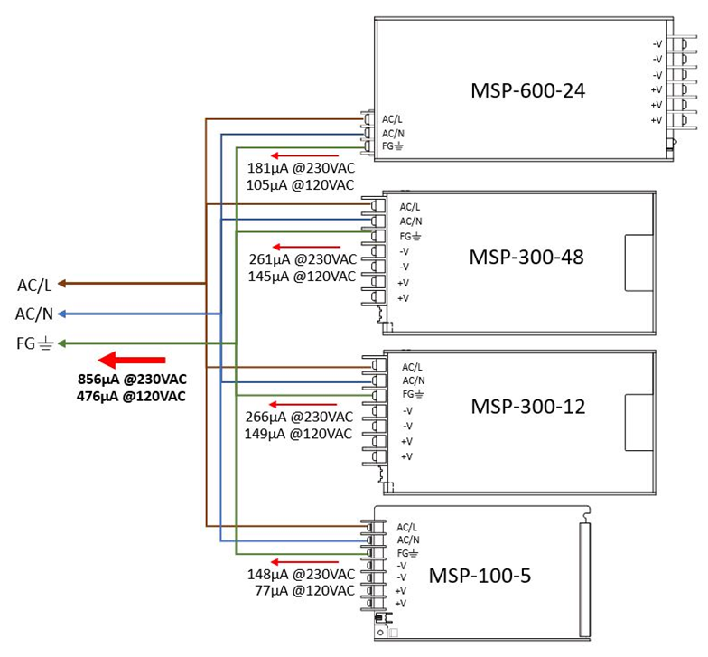
图2:120Vac输入时的总漏电电流476uA
230Vac输入时的总漏电流856uA
图2显示了使用四台单输出电源时的总漏电流,四台机型分别为MSP-600-24、MSP-300-12、MSP-300-48与MSP-100-5。
据测试结果显示,NMP1K2-HHEKC#-01在230Vac时的漏电流为234μA,远低于四台MSP电源856μA的总漏电流。因此,NMP1K2-HHEKC#-01的漏电流可以满足消费性电子设备的500μA~750μA的漏电流要求。
注:图片及资料均来自明纬电源官网,如有任何问题,请立即联系我们,我们一定第一时间配合处理,谢谢!